Jump to content
Click here to check out this refrigerator troubleshooting booklet.

FAQs | Repair Videos | Academy | Newsletter | Contact


Appliance Repair Tech Tips

  • entries
    258
  • comments
    843
  • views
    558,611

What does this Whirlpool dryer AF error actually mean?


A tech here at Appliantology had an issue with a Kenmore Whirlpool dryer that kept showing the customer an AF error code. Looking up that code in the tech sheet, we see this description:

Screenshot 2025-10-10 at 8.50.29 PM.png

Wow, this is some fancy modern dryer! Apparently, it's equipped with an anemometer to measure the exhaust airflow so it can alert the customer about a clogged vent.

Our tech checked the vent outlet and got good airflow. So why is the dryer throwing an airflow error? Maybe that swanky airflow sensor is out of spec!

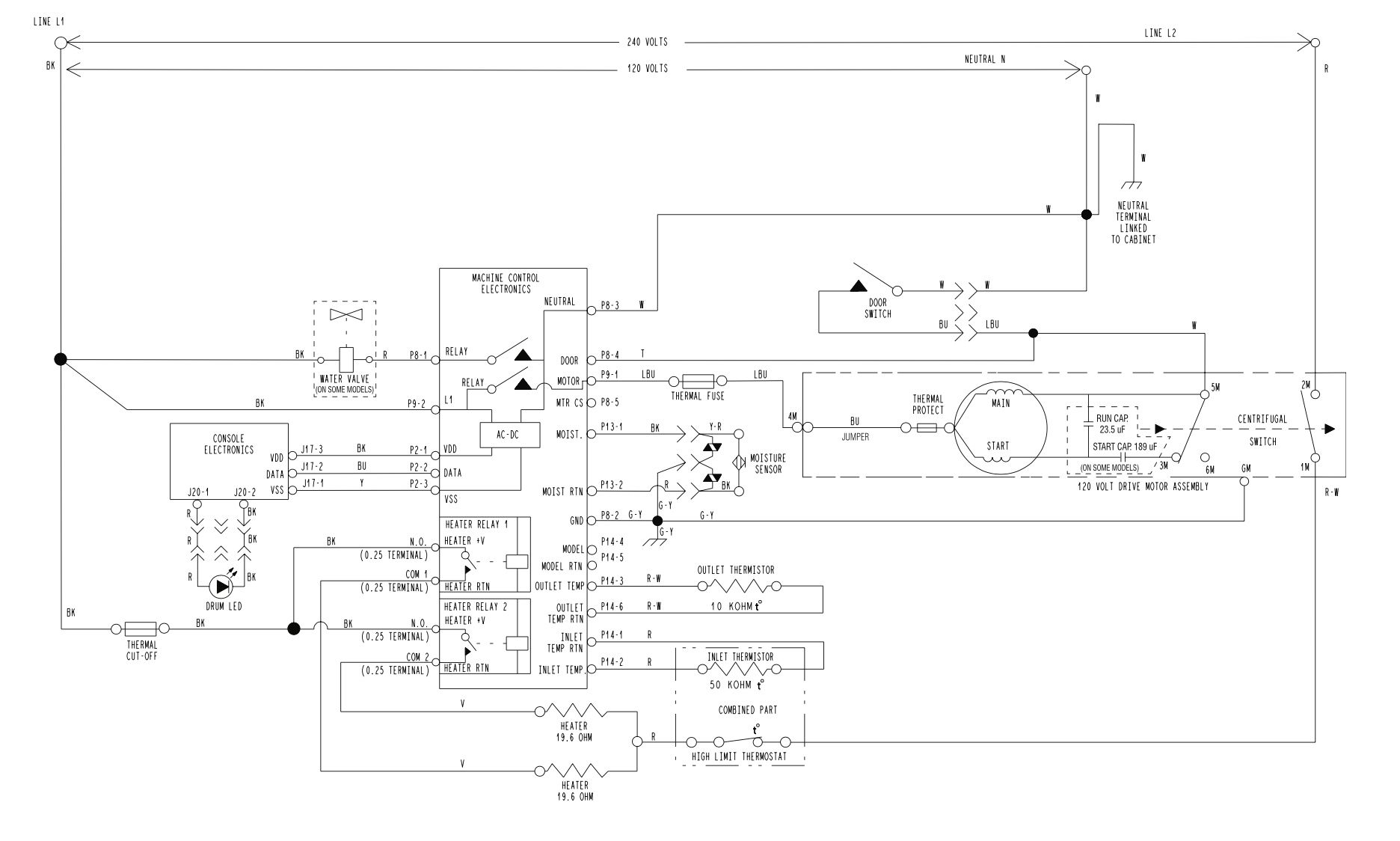
Let's pull out the schematic to see how we troubleshoot this anemometer.

Screenshot 2025-10-10 at 8.48.30 PM.png

Hmm... well that looks like a pretty standard dryer schematic to me. No airflow sensor in sight.

Maybe if we look up the service mode error code that will have some more precise info for us on how this dryer says it measures airflow.

Screenshot_2025-10-10_at_8_51_22 PM.png

Well that's no help -- it doesn't give us any more info than we already had!

At times like these, you need to dig through all the info the manufacturer gives you. They often like to hide vital troubleshooting information and specs in odd places.A common place is the dreaded dummy directions.

Dummy directions are what we call the part of a tech sheet or service manual that give you step-by-step troubleshooting directions, which are notoriously imprecise and unhelpful. This is why we call them dummy directions -- because if you slavishly follow the directions without engaging your own critical thinking, you're a dummy!

However, while you almost never want to follow the steps they give you, this part often contains useful info, like so:

Screenshot_2025-10-10_at_8_38_50 PM.png

Aha! They finally reveal the secret of how they "measure" airflow, and it's nowhere near as fancy as we might have thought.

This is a piece of algorithmic information that tells us how the control board approximates the airflow -- it's just by comparing the input that it gets from the inlet and outlet thermistors. Mystery solved!

And there's another spec you'll notice that's only given here in the dummy directions -- the spec tables for those thermistors! You can see the outlet thermistor specs above, and the inlet thermistor specs are on that same page:

Screenshot 2025-10-10 at 8.39.07 PM.png

So with good airflow from the vent, this means our tech's next troubleshooting step is clear: he needs to check that the inlet and outlet thermistors are in spec. If either of those thermistors is lying to the control board about the temperature, then it could trigger that AF error.

This just highlights the importance of being thorough when reading our technical literature. We never would have found the information we needed about the now the dryer approximates airflow without exploring the whole tech sheet.

Want to get in on the action? Join the Brotherhood of Techs at Appliantology.

  • Appliantology.org is a cultivated, private community of techs.
  • Get solid tech advice from working, professional techs and business owners.
  • Avoid the endless noise and guesswork thrown at you from groups on social media.
  • Download the service manuals, tech sheets, and service bulletins you need to git 'er done.

Join the Brethren in the Craft right now with our membership options at Appliantology and see how it can help you in your business starting today.

  • Like 5

3 Comments


Recommended Comments

Jonathan roberge

Posted

Yess ! I had encountered that issue but a little different . The client previously put something inside the vent exit to avoid cold air coming inside the chalet. They installed the new dryer without removing the thing inside the vent exit … They started having error code after a few cycles over a week or so . That was a funny experience.

  • Like 1
darren412

Posted

Great read here, PRICELESS man. Here's A little story on something I ran into a month ago with a commercial account of mine. I realized something  speed queen dryers do that is very similar also after reading this post. The particular issue I ran into was this dryert had reacted  to the air flow also but does not have a restricted airflow error , as far as my understanding. the speed Queen dryer thermal fuses have a high resistance value before they fail . If that failed I would have gone directly to the exhaust vent being restricted.  The exhaust vent was partially blocked and it kicked up a motor overheating error code/ thermistor error code and then it all of a sudden shuts down. it threw me off on the first visit and I put a new thermistor in it and  It was not shutting down as quickly as the first complaint and ran for 20 min no problem. So I thought it was fixed. 2 days later It was shutting down but it took longer before it shut down this time. I didn't feel it was the motor overheating because it would run a while and when it shut down . I could start the dryer back up again right away. I felt at this point that maybe the vent was blocked and that was overheating inside the cabinet so before I even thought of replacing the motor and that was the last thing on my mind. I thought I better try having the customer get the vent line cleaned out first and then try running the dryer again . I told them to try and run the dryer after the vent is cleaned and let me know what happens. they never got back to me with results , so several days later I asked them how the dryer was running and they said it was fine . problem solved by just cleaning the exhaust vent. So I believe the thermistor in this speed queen dryer was reacting to the air flow and it had everything to do with just cleaning the exhaust vent system out properly. Thanks for this . It opens up my mind to future jobs and the fact that Thermistors can also tell me something about air flow that I didn't realize. The knowledge is greatly appreciated Samurai

  • Like 1
Bagram

Posted

Thank you brother Sam. 

  • Like 1
×
×
  • Create New...