Why Does this Fan Run When I Test It with a Loading Meter?
A while back, we encountered a Whirlpool refrigerator with an inop evaporator fan. Rather than take apart the freezer to get right to the fan for testing, we did the smart thing by undoing a couple of clips and doing our testing right from the control board.
The first thing we wanted to figure out was if the evaporator fan was getting a good power supply. So before we even do any tests, let's figure out how the fan's circuit works.
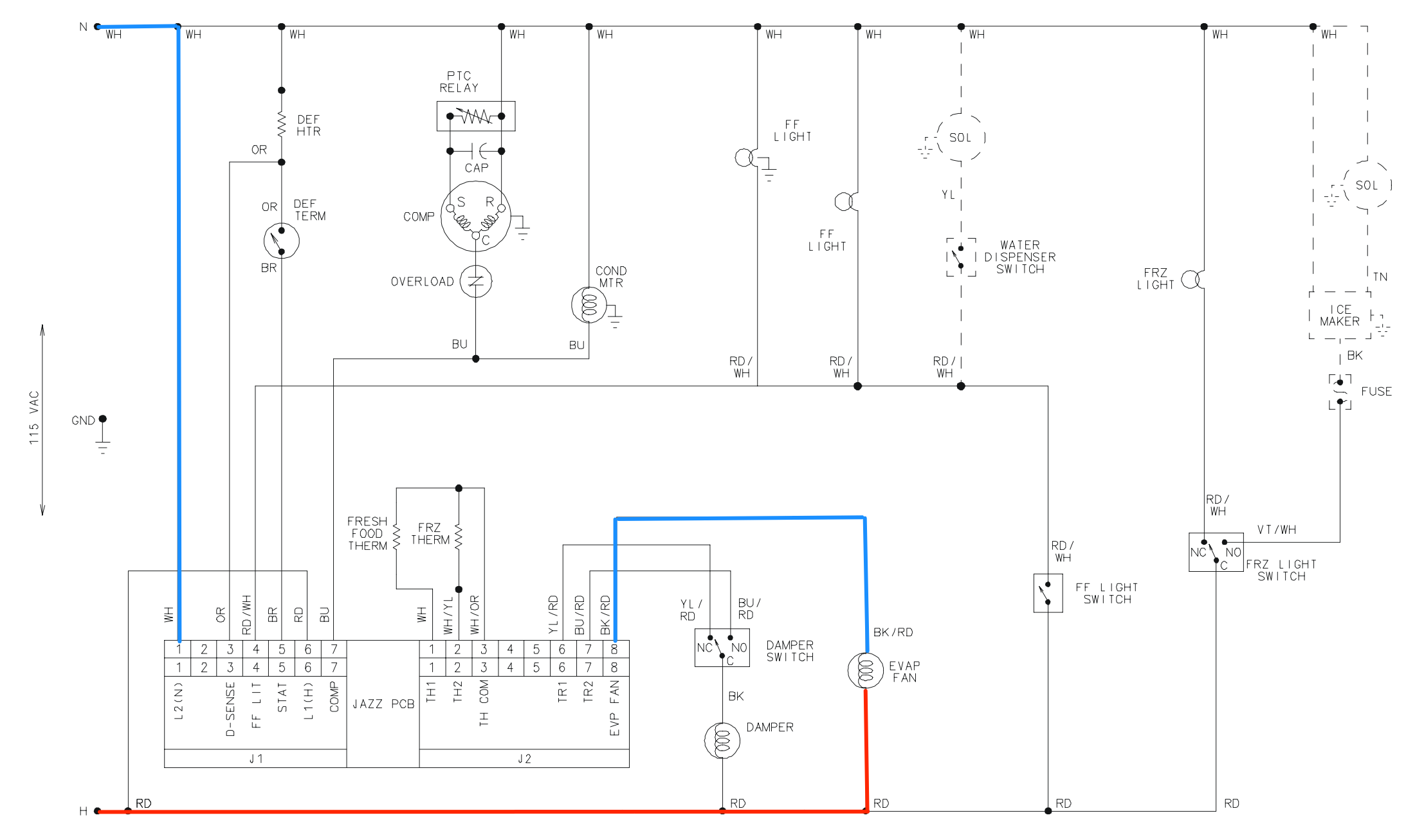
This markup shows how the evaporator fan circuit is supposed to work. Line voltage is standing on the fan at all times. The control board simply switches neutral to complete the circuit. You can think of it simply as a switch that connects neutral at J1-1 to J2-8.
With this in mind, the test we want to make from the board is pretty simple: we'll just set the control to run the fan in test mode and then take a voltage measurement from J1-1 to J2-8. If we get a reading of 120 VAC, then we know that the board is not closing the switch to supply neutral.
So, we set our meter to LoZ (as you should when testing an AC load) like so:
And we measure... 60 volts??
What's even weirder than the voltage reading, the fan motor starts trying to run. It doesn't run full out -- more like an odd, pulsing, low-speed run. As soon as we take the probes off, the fan stops running.
What gives? Have we smoked the board? Is the board somehow responding to our measurement and running the fan?
To understand what's going on here, you need to understand what a loading meter does. A "normal" voltmeter has high impedance. That means that there is extremely high resistance between the meter leads -- something in the mega-ohms.
On the other hand, a loading meter has low impedance, with the resistance between its leads being just a few thousand ohms.
This is a feature, not a bug, of loading meters. The entire point of a loading meter is to have low enough resistance that a meaningful amount of current will flow through it, thereby putting a load on the circuit.
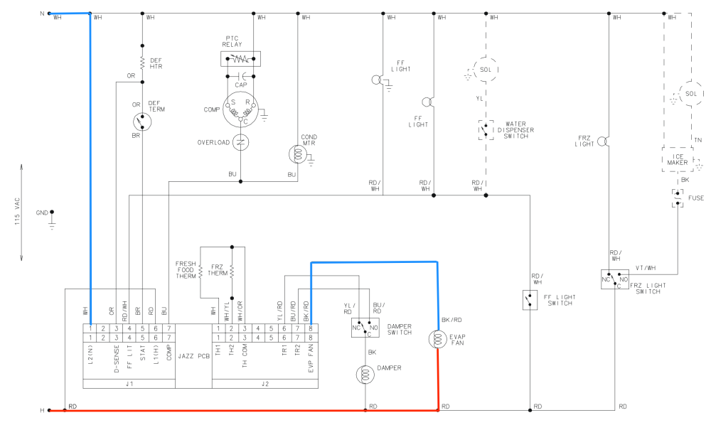
So what does this mean for our circuit? Well, to see what's going on here, let's redraw our circuit in a simpler form:
This is functionally the same circuit. We have just replaced the control board with a switch, since that's the purpose the board is serving in this circuit.
We can now see more easily what's going on here. We unintentionally created a load in series with the evaporator fan. This load in series is our loading meter, which bypasses the control board switch.
Since the evaporator fan has a resistance of a few thousand ohms, around the same as our loading meter's resistance, the circuit voltage is roughly split in half between them. This is why the loading meter is only showing around 60 volts -- that's the voltage being dropped across the meter. And the evaporator fan isn't running properly because it's not getting the full circuit voltage.
Now that we understand what's happening, we know how to interpret our measurement: clearly, the evaporator fan is fine, and the issue is that the control board is not providing neutral to the fan in service mode. A new control board, and it's good as new.
So what's the lesson here? When you use a tool for troubleshooting, make sure you understand how that tool works. Otherwise, you might not be able to interpret the data you get. Loading meters give you really robust and useful measurements, but you do need to be aware of the ways in which they're different from standard voltmeters and how this can impact your troubleshooting.
Want to get in on the action? Join the Brotherhood of Techs at Appliantology.
- Appliantology.org is a cultivated, private community of techs.
- Get solid tech advice from working, professional techs and business owners.
- Avoid the endless noise and guesswork thrown at you from groups on social media.
- Download the service manuals, tech sheets, and service bulletins you need to git 'er done.
Join the Brethren in the Craft right now with our membership options at Appliantology and see how it can help you in your business starting today.
-
2

.png.aa21533c6656a1cb054a172848652cb2.png)
0 Comments
Recommended Comments
There are no comments to display.