FAQs | Repair Videos | Academy | Newsletter | Contact
Blogs
Featured Entries
-
How to Troubleshoot a GE Cooktop like a Real Tech vs. like a PCM
By Son of Samurai
What we call Parts-Changing Monkeys (PCMs) around here at Appliantology are techs who rely on pattern recognition, tech myths, and blind luck to make their repairs. Case in point with this example of a GE ZGU385 gas cooktop, where said PCM figured he would get lucky by replacing a couple of components that seemed related to the problem, apparently without any troubleshooting beforehand. Spoiler: he didn't get lucky. Real technicians don't rely on luck to get things fixed. We rely on kn- 15 comments
- 7,321 views
-
Tech Memberships at Appliantology
By Samurai Appliance Repair Man
Appliantology is an invaluable resource for working appliance repair technicians, providing service manuals and datasheets, continuing education technical training, and a community of thousands who have your back whenever you need help or have questions. To maintain the quality of our community and keep it ad-free, we do charge an annual fee of $297 for our Professional Appliantologist membership, which unlocks all that Appliantology has to offer, including tech-only help forums and unthrottled,- 5 comments
- 197,129 views
-
[video] Troubleshooting a no convection bake problem on a GE Advantium Speedcooker
By Samurai Appliance Repair Man
We troubleshot a GE Advantium Speedcooker from the control board for a no convection bake problem and determined that either the convective heating element or the TCO had failed open. Testing each component individually required uninstalling the oven with special equipment. So on our second visit, we returned with both parts-- the convection heating element and the TCO. The specific failure turned out to be the non-resettable TCO that had failed open. Watch how I used the schematic to sele- 1 comment
- 14,803 views
-
The Master Samurai Tech Alumni Program
By Samurai Appliance Repair Man
Training at the Master Samurai Tech Academy is already a killer deal: comprehensive, state-of-the-art training that’s online and on-demand at tuition low enough that anyone can afford it. Well now we’re kicking it up to 11 with the Master Samurai Tech Alumni program. If you have been certified* in the Core course at the Master Samurai Tech Academy (formerly called the "Fundamentals" course) or earned Master Certification at the Mr. Appliance Academy , you can get full tech access to ou- 5 comments
- 22,108 views
-
Appliantology is Your Key to Appliance Repair Service Call Success!
By Samurai Appliance Repair Man
The Old Skool method of doing service calls was to go out on the call and pray to the pot bellied Buddha that the tech sheet was still hidden somewhere on the appliance. The plan being that, if the tech sheet was still there, you could stare at the lines and squiggles long enough to convince the customer you had reached a definitive and scientific conclusion about the problem. My friends, I'm here to tell you that the Internet has made this Monkey Boy way of doing bidness obso-frikkin-lete- 1 comment
- 5,461 views
Our community blogs
-
- 260
entries - 847
comments - 559015
views
Recent Entries
Latest Entry
How to Troubleshoot Flickering Refrigerator LEDs
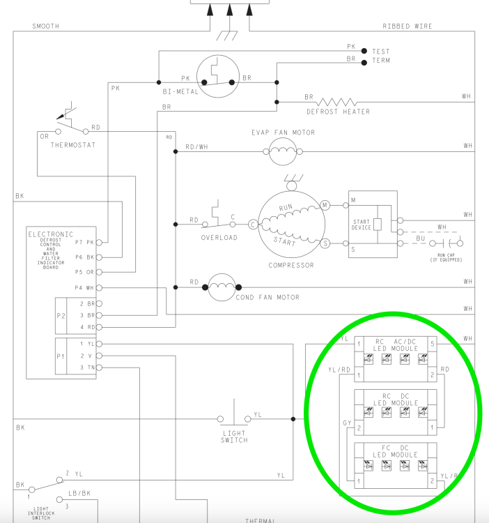
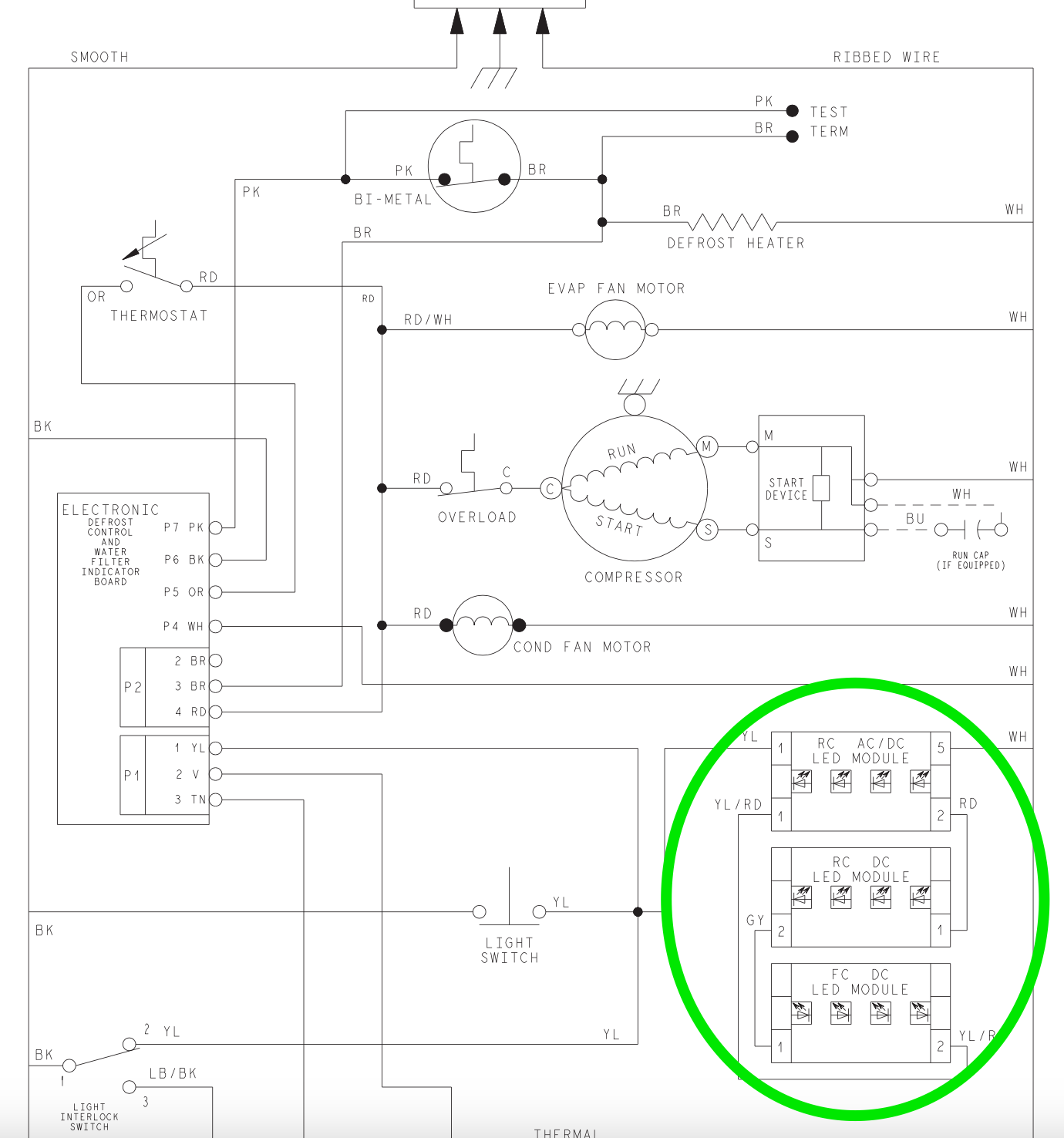
A tech here on Appliantology encountered an issue with the LED lights in a Whirlpool side-by-side refrigerator that kept flickering in both compartments. He suspected that one of the LED boards was the culprit, but he couldn't figure out how to identify which one.
Let's take a look at these LED boards on the schematic and think about how we could troubleshoot this situation.
Looks like we've got three different LED boards -- one for the freezer compartment, and two for the refrigerator compartment.
Note that one of these boards is not like the others: the refrigerator LED board on top also converts AC power into DC.
The pinout confirms this and gives us the expected voltages:
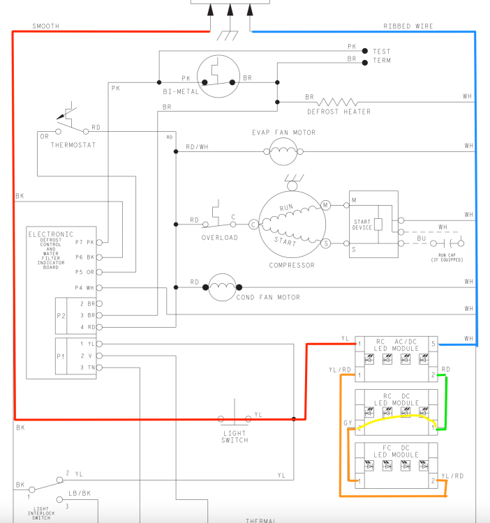
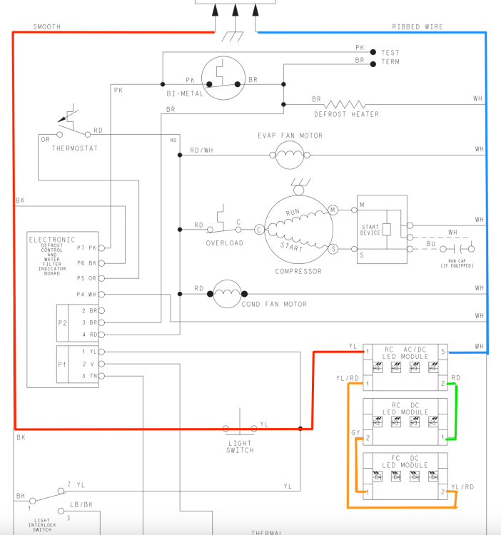
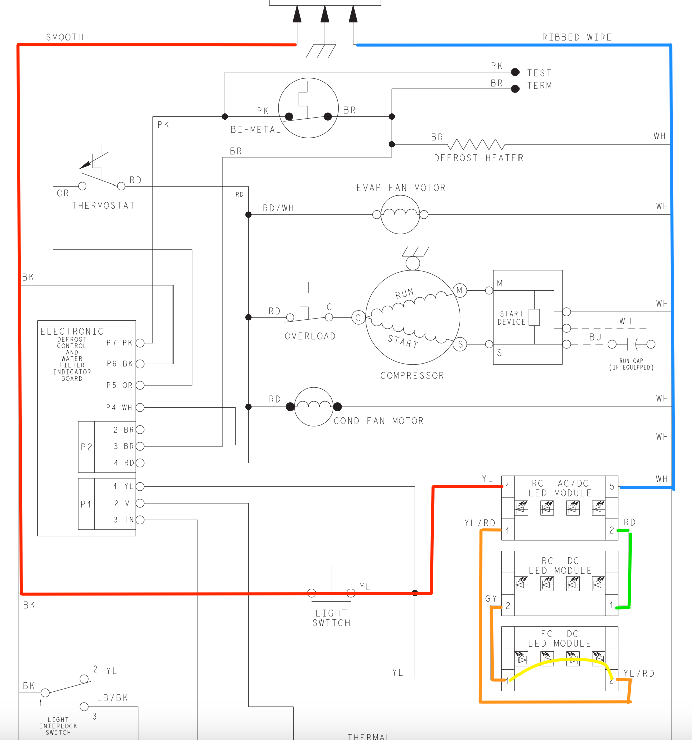
So the AC/DC LED module converts AC to DC and then supplies DC voltage to the other modules. Here's what that circuit looks like:
Another important thing to note here: the LED boards are in series with each other. This helps us with our troubleshooting! Even though all the LEDs in the unit are flickering, this is most likely simply the result of one of the boards failing. Since they are all in series, if one fails, it will affect the others.
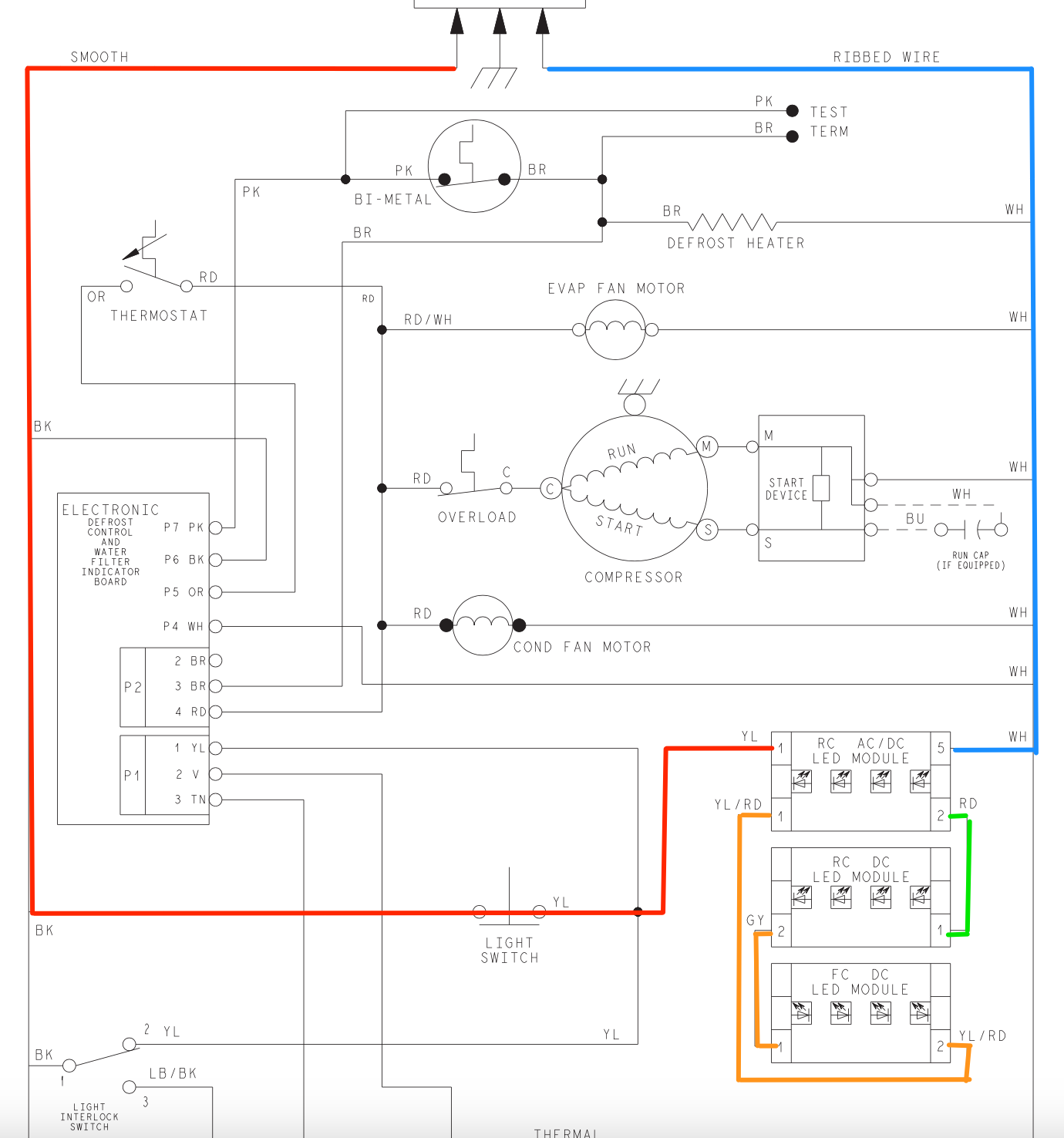
Now that we know how the circuit works, what test can we do to figure out which board is the bad actor?
Appliantology Brother and Master Samurai Tech Academy alumnus Kevin Anderson pointed out the simplest and most informative test you can do here: simply jump the boards one at a time and watch to see when the lights stop flickering. If the lights stop flickering once you jump a board, then you've found your culprit.
Here's how you would implement that test, first jumping the refrigerator LEDs (the jumper is shown in yellow):
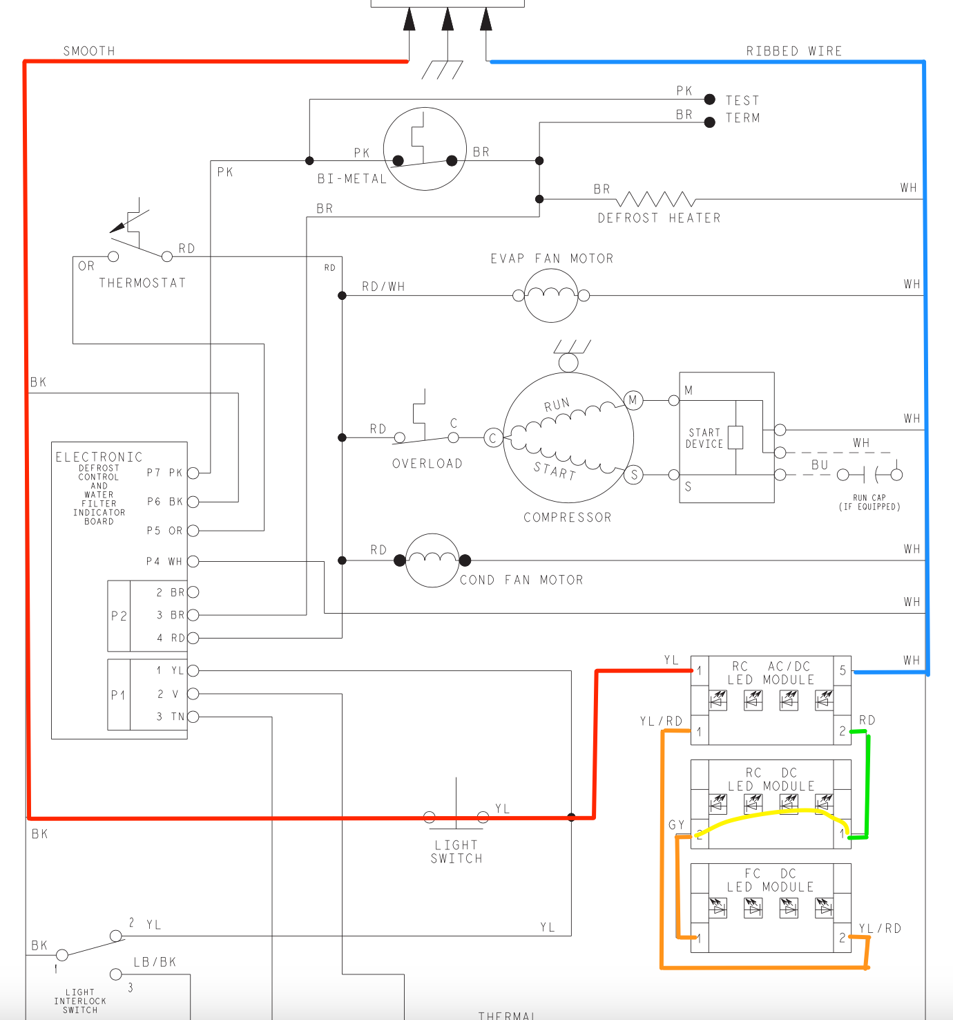
Then the freezer LEDs:
And if the flickering continued during both tests, then you know the issue is with the AC/DC LED module.
There you have it -- two simple tests to identify exactly which board needs replacing! This troubleshooting strategy applies not just to this particular model -- lots of LED configurations are chained together in series like this, so this same strategy of jumping loads one at a time to identify the failed load is a good one to keep in your tool bag.
Want to get in on the action? Join the Brotherhood of Techs at Appliantology.
- Appliantology.org is a cultivated, private community of techs.
- Get solid tech advice from working, professional techs and business owners.
- Avoid the endless noise and guesswork thrown at you from groups on social media.
- Download the service manuals, tech sheets, and service bulletins you need to git 'er done.
Join the Brethren in the Craft right now with our membership options at Appliantology and see how it can help you in your business starting today.
- Read more...
- 0 comments
- 260
-
In this recent Live Dojo appliance troubleshooting workshop, we workshopped a problem with a Maytag dryer where it would start but stop running as soon as the start button was released. We looked at how the motor's start circuit works-- how it's configured before starting and how it changes after the motor is started and running. Finally, we compared this start configuration with the Whirlpool push to start (PTS) relay system.
Become a tech member at Appliantology and join in on the conversation: https://appliantology.org/blogs/entry/1027-tech-memberships-at-appliantology/
- Read more...
- 0 comments
-
Well, it took me a minute to actually throw the prototype pliers in my toolbag and then remember to actually try them out, but I finally did...
Video linked below. tl;dw... Not bad! For larger size clamps, seem to be exactly as suitable as std KP-2s, and much better mechanical action
-
- 8
entries - 75
comments - 29442
views
Recent Entries
Latest Entry
GE dryer dead
This is a "box style" dryer- you know, it matches the front load washer. The complaint on my work order was "Sometimes works, sometimes doesn't. Now not working at all." I'm going in thinking a motor over-heating, maybe a motor relay on the mudderboard.
Arrive to find the young lady and her newborn. She says, "My husband took it apart and can't figure it out. He thought it was a loose connection and it kinda worked for a little bit, but not really. And now it doesn't work at all." Yay me. Open the garage door to a machine that is 50% disassembled. Console off, lid off, front off, all the screws to the rear pane offl, terminal block, water valve... I'm talking he took off stuff that made no sense to take off. The water valve? In fairness he had everything laid out nicely and organized, and all the screws were next to said parts. Soooo, do I bail, or do I dig in??? Hmmmm... nice customer, nice and clean- well air conditioned house, neighborhood that I work in often, nice kitchen appliances, and matching washer. Sure, I'll have a look.
Re-assemble unit and plug 'er on in for a maiden voyage. Dead. Go to the terminal block and find that the screw and lug is stripped on the neutral. And also the L2 screw and lug is stripped" Sheesh! Could it be that easy? Go to van and get parts and get the wiriing secured. Plug 'er in..... nada.... dang it....
Well, let's start looking. Bust out the skewed-matic and my reader glasses.... Let's see, L1 to board at the J101. Any voltage there? Nope. Hmmm. I see a "High- Limit Thermostat (Fuse Type)", what the heck is that? So I start looking for that fuse. It's not at the back near the terminal block. It's anywhere that I can see. I follow the wires and they go into the cabinet. Crap.... do I have to take this thing apart after I just put it back together. Yup....
Lo and behold, I find that the aforementioned "High- Limit Thermostat (Fuse Type)" is the dang Thernal Fuse on the heat canister. Huh? First time seeing that. If that thermal fuse opens- it doesn't just kill the heater- it kills power to the board! Lights out homie!
In this case, I found that a terminal on the fuse was charred and not making connection to the biimetal inside. Makes sense now... intermittent working, and finally died. New fuse and new terminal and we back in bidness!

- 8
-
Inevitably you will at some point in your career damage a customer's stuff. Most common is usually the appliance you are working on, or the floor. The big stuff is flooding a customer's house, fire, smoke, etc.
Let's talk about the small stuff first.
Scratched/ damaged appliance: Just understand that your maximum liability on this is the value of the appliance. Not the cost to replace. The value of a 10 year old used appliance. If you did the damage the first thing you should do is own it. Second, and most important: Dont ever talk about insurance or compensation etc. Once you start planting ideas in the customer's head, there is no turning back. For example: you broke a crisper bucket during removal. All you need to say is "your crisper bucket broke during disassembly, do you want me to order you a new one? The cost is X.XX. Its not so much you want them to pay for the bucket, its more so that you are conveying that you did not just F* up. Normal course of things. If you arent that brave, just tell the customer what you did and that you will bring back another one in a few days.
You dented the door: Say to the customer: "How do you want to resolve this?" You really need to smear on the humility. Call yourself and idiot, etc. The goal is to build empathy, and avoid the adversarial confrontation. You will be surprised how often they say don't worry about it. Sometimes they ask for a discount, some will ask for a new door. If they ask for a door, look it up right there, on the spot. Figure out the cost of the door, write the lady a check on the spot for the door + $150 for someone else to install it. Its not your problem that the door is NLA, I can almost guarantee you they will just pocket the money and buy a fifty cent magnet. The important part is to settle the matter right then and there. Write the check, or discount the bill, you need to specifically write that you are fully compensating them for the damage to the door. Make them sign.
The damaged flooring: This is one where most of you will throw your hands up and file a claim. I have been in the appliance business for 20+ years and I can shamefully tell you I have (my delivery guys really) damaged many floors, doors, windows, walls, cars, and more. If you damage a floor, do not get the customer involved. Its your mess, you clean it up. If you tell the customer to go get an estimate, you will end up buying Karen a new floor. Most flooring damage is in the way of a dent, and some more severe have a dent/ minor scratch. A good steam mop will pull 99% of dents out. If there is a scratch, buff it out with a bit of floor polyurethane and a rag. The trick to resolving this in my experience is to do the entire kitchen. Just steam/ clean, not POLY) Steam ALL of her dents out ,and get an excellent hardwood floor cleaner (like BONA) and clean her floors. Leave her the cleaner as a parting gift. When you see the customer's eyes get big, or crack a smile, not only did you dodge an expensive bullet, but you get to keep the customer.
YOU change the window, YOU (or YOUR contractor) fix the wall/paint/trim. Your people will look out for you, and generally will give you an excellent price for the correction. Your customer's contractor will get paid big time.
If you break a ceramic tile: If you break a tile its either you were Grossly negligent, or the floor was installed incorrectly. Buy the closest thing you can find, but DO NOT install that tile in front of the stove/ fridge. Its likely not an exact match and will look out of place. Harvest a tile from under the fridge or stove and install that tile, putting the new tile out of sight.
Water damage- wood flooring: If you catch it within a couple weeks you should be fine. Wood swells up when wet, and will always shrink when dry. Solve the leak, apologise profusely, and get to drying it. Hair dryers, towels, and a few trips will take care of it.
Water damage drywall: Hire a contractor, tell him to take care of it 100%, AND SEND YOU THE BILL.
WHY BOTHER, I HAVE INSURANCE FOR THIS? Your insurance will cover the first claim, and I promise at your renewal you rates will skyrocket IF they even take you back. If you file 2 claims in about 5 years, not only will your insurance co drop you, but good like finding anyone to cover you. If you do some BIG damage, like massive flooding or fire/ smoke, that is what insurance is for.
It really boils down to this: You can fix a scratched floor for a few hundred dollars. Once you get insurance, the customer, and random contractors involved, it instantly becomes a four figure repair. You will end up paying for all of it one way or another.
-
- 6
entries - 60
comments - 195028
views
Recent Entries
Latest Entry
Pricing Service in a Small Service Company
From the latest USA newsletter:
Pricing Service in a Small Service Company
By David Oliva
While doing research for this series of articles the topic that came up most frequently was pricing. How do I know what to charge, what pricing structure should I use, what’s “fair”, what’s the value of our service, should I be cheaper than my competitor, etc? Appropriate and profitable pricing is one of the most important parts of running a successful small service company (SSC). It’s also one of the most difficult. Most SSC owners, me included, have no formal business training and so we struggle with issues like this. Many SSC owners undervalue their skills by quite a bit because of this lack of training and so are sometimes extremely underpriced. This creates a variety of problems such as not having enough extra income to cover the cost of necessary training and an inability to expand or improve the company due to lack of funds. It also creates a problem for the industry as a whole because it undermines professionalism and creates an atmosphere where customers are taught not to value our profession as they do other professions.
Let’s start at the beginning. The foundation for all pricing starts with your cost of doing business (CODB). Without knowing your CODB setting prices is a guessing game. United Servicers Association has a great, free, CODB calculator on their website. What it will allow you to do is input all of your expenses and calculate your CODB on an hourly basis. Knowing how much it actually costs you simply to be open for business each hour of the day is invaluable and, at least the first time you do it, eye opening. It was a big shock to me when I ran those numbers about 5 years ago. I had no idea we had to spend so much money just to be open. Once you have that number you can begin planning a pricing structure.
Link to USA free CODB: https://www.unitedservicers.com/codb-calculator
There are two basic structures for pricing, hourly or flat/job rate. An hourly rate is self explanatory but a job rate structure may be unfamiliar to some. A job rate structure will typically have between three and ten rates, which will vary from the simplest jobs to the most involved and complex. With a job rate system the time it takes to complete a repair is only one factor out of many used to determine the price. Job rates systems are generally the most profitable way to price repairs in our industry. The benefit to the independent SSC of a job rate system is the ability to capitalize on experience and skill. With an hourly rate the better and faster one gets the less money they will collect on each job, making it necessary to complete more jobs to make the same amount of money. With a job rate system the faster you are the more you make because the price of the repair is not tied to time. Job rate systems reward skill and efficiency.
What is fair? This is a contentious point in our industry. Many SSC owners feel that we should not charge professional rates for the work we do or that job rates are “unfair” to the customer because they tend to increase the overall repair price. I believe this stems from a lack of respect for the work we do, even from people within our industry. This attitude, as stated above, undermines the industry as a whole. There is no reason why we should not be well paid for the service we provide to our customers. Fairness is subjective and so it is a meaningless concept in regards to pricing. Pricing in an SSC, which typically does a low volume of repairs relative to larger companies which can take advantage of high volume, should be fundamentally based on two points. The first, and most important, is CODB. Without covering your CODB you will fail, this is simple math. If your CODB dictates rates that you feel are “unfair” then you either need to reduce your CODB or let go of the idea that prices can be fair or unfair. The second point is your market. After you’ve calculated your CODB you can then feel out your market for profit maximization. The old school method for feeling out maximum price still holds true, if you’re not getting at least a few complaints about your prices you can charge more.
Value is also subjective, and so ideal customers may be those that place a premium on quality service and are willing to pay for it. If your market is a large metropolitan area then chances are high end brand appliances are plentiful in your service area. Typically customers with these brands will value quality over price and be willing to pay higher rates for better service. In such a case why try to compete by having the lowest price? Why not offer the highest level of service available and charge appropriately for it? Competing on price is often a race to the bottom and in the current economic climate lowering your prices may not be a viable option. Compete on quality, not price.
The biggest obstacle to higher rates, and higher profits, is often psychological. It’s very common to hear SSC owners say “I can’t charge that! No one will pay it. My competitor only charges $10.” This is a myth based on nothing but fear. I was once browsing the racks of luxury retailer Neiman-Marcus and came across a shirt from the designer brand Givenchy. This was a simple sweatshirt with a screen printed Rottweiler on it. This shirt was priced at $900. You may not be interested in designer fashion, but LVMH Group, the parent company of Givenchy, made about $5.7 billion in profit in 2017. The point being that customers are willing to pay almost anything for what they perceive to be valuable. And this is where value comes from, a product or service is valued at whatever people are willing to pay for it. If you can set up your company to be perceived as more valuable than your competition then you can command higher rates.
This industry is full of people who love what they do, and are very good at it. They treat their customers with respect; they provide quality service and honor their warranty. The go out of their way to help people who need help. And so why shouldn’t they make enough money to drive a new service vehicle, have excellent health insurance and take a great earned vacation now and then? Why shouldn’t they value their skills the way other trades and professions value theirs? Why shouldn’t there be enough extra profit to provide for a great retirement, another topic of great interest to SSC owners? The answer to all of those questions is they should, and there should be. Pricing appropriately will ensure that and we need to focus more on this, and in greater depth, especially for the SSC owners, since we are the ones who need the most help with it. - 6
-
We all want to grow our companies, but finding and keeping qualified techs or just finding anyone that posseses even the slightest work ethic is a difficult, near impossible task. This song laments this sad state of affairs but also is a tribute to the recent passing of one of the greats.
Scroll down, start the video, scroll back up and sing along!
Whirlpool Drain (or if Prince was an Appliantologist looking for good help)
Maybe you never meant to cause me any sorrow
Maybe you never meant to cause me any pain
I only wanted to one time see you working
I only wanted to see you
working on a Whirlpool DrainWhirlpool Drain, Whirlpool Drain
Whirlpool Drain, Whirlpool Drain
Whirlpool Drain, Whirlpool Drain
I only wanted to see you
Steaming up a Whirlpool DrainI never wanted to be a hard-assed employer
But neither could I be some kind of friend
Now please go away, go work for another
For your employment with me has to endWhirlpool Drain, Whirlpool Drain
Whirlpool Drain, Whirlpool Drain
Whirlpool Drain, Whirlpool Drain
I only wanted to see you
Underneath a Whirlpool DrainDude, I know, I know
I know appliances are changing
It's time we all reach out
to learn something new, that means you tooYou say you want me to teach you
But you can't seem to concentrate your mind
So I think you better pack it
Since you can't even Ptrap a Whirlpool DrainWhirlpool Drain, Whirlpool Drain
Whirlpool Drain, Whirlpool Drain
Service Owners, if you know what I'm singing about up here
C'mon, raise your handWhirlpool Drain, Whirlpool Drain
I only want to have one
Only want to see one
Working on a Whirlpool DrainThis song debuting on AppLYRICology Best of Durham Music Vol 1
-
- 18
entries - 45
comments - 82962
views
Recent Entries
Latest Entry
Back to normal life
Well ladies and gents. Sorry I have been MIA for a while. Life has been crazy with service calls and my new technician. Also had our first baby (technician in training)
. It's been an amazing experience. I am loving every second of it. It has been tough through all the changes which is why i have been absent from here for a bit. But i'm BACK! I hope the Samurai and Durham have been holding the fort down and not letting you guys get away with too much! hahaha. - 18
-
Latest Entry
How to test motor speeds (RPM)
I was talking with another tech this morning about checking RPM. this brought up the subject of strobes. As we were
discussing strobes it occurred to me someone had probably created an app with RPM already. Shazaaam!!!

Here's a app that will allow you to test RPM on fans. You can also test motor rpm, if, you place a mark on the shaft.
https://itunes.apple.com/us/app/strobe-light-tachometer-to/id708094321?mt=8
To check fan speed just dial it in till the fan appears to be not moving at all. That'll give you your RPM.
Same with a motor if you mark the shaft. When the mark appears to no longer be moving you've got the RPM.
I'm not really sure if this is the correct use of this Blog thingy, but, bet I'll find out sure enough!! Yeeehaw!!!
Huh... I hope I wasn't the last person on earth to figure this out!
-
- 25
entries - 45
comments - 331500
views
Recent Entries
Latest Entry
Coconut Lime Chicken Soup
Here's a Thai-inspired chicken soup that is easy to make and bursting with flavor! It's healthy comfort food with an Asian twist.

Ingredients
- 2 tablespoons coconut oil, ghee, or butter
- 1 onion, chopped
- 1-2 pounds uncooked chicken breast, diced
- 1 inch piece of fresh ginger, peeled and chopped fine
- 4 cloves garlic, minced, divided
- 1 quart chicken broth (I use either homemade or a box of low sodium, no added MSG.)
- 1 can coconut milk (look for this in the Asian/Thai section of the grocery store. I prefer regular, not "lite".)
- 1 lime, juiced, divided
- ¼ tsp. red pepper flakes
- 4 scallions, chopped
- ½ bunch cilantro, chopped
- salt, to taste
- optional: Thai fish sauce, cooked rice
Directions
Heat a soup pot over medium high heat, then add the coconut oil. Saute the onions with a little salt for a few minutes, then add the chicken chunks with a little more salt. Cook, stirring frequently, until chicken is just cooked through. Add the ginger and half of the garlic towards the end of this.
Stir in the broth and bring to a boil, then stir in the coconut milk, half of the lime juice, and the red pepper flakes. Reduce the heat to low and simmer covered for at least 15 minutes (longer is fine, too).
Turn off the heat, and add salt to taste (depends on the amount in your chicken broth). Stir in the rest of the garlic, the scallions, and most of the cilantro (leave a little aside for topping individual bowls). Add the rest of the lime juice if desired. Cover and let sit off-heat for 5 to 10 minutes, then serve.
Great served over rice. Add a few drops of fish sauce to your serving to knock the flavor out of the park!
- 25
-
- 3
entries - 5
comments - 21112
views
Recent Entries
[Yes, I did reset the breaker and checked the voltages. Here's the wiring diagram:

Source: Amana NED7200TW Dryer no heat, problem with cycling thermostat?
- 3

